分享晒单
帮助中心
欢迎光临JMKO传动零部件加工定制平台!

 JMKO传动零部件

定制加工  采购平台

按钮文本
  • JMKO直线导轨微小型MSC-M系列
  • JMKO直线光轴空心轴PCS系列硬轴硬轴HRC58-62(Gcr15)
  • JMKO联轴器梅花弹性螺栓直接固定型-JD1-SR
  • 线性模组KM33标准型/防护罩型(A、B型)
  • 交叉导轨SGV
商品参数
    商品描述

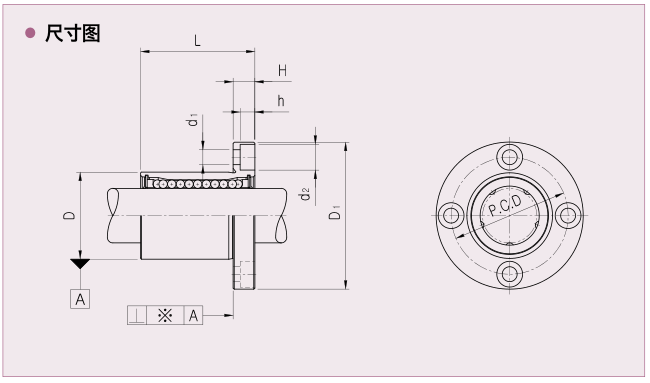
    直线轴承圆法兰型-LMF尺寸表

    直线轴承圆法兰型-LMF规格尺寸表


    • 购买人 会员级别 数量 属性 购买时间
    • 商品满意度 :
    暂无评价信息